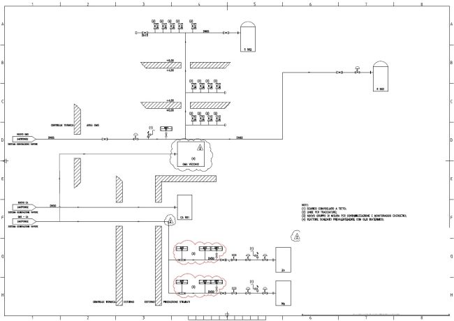
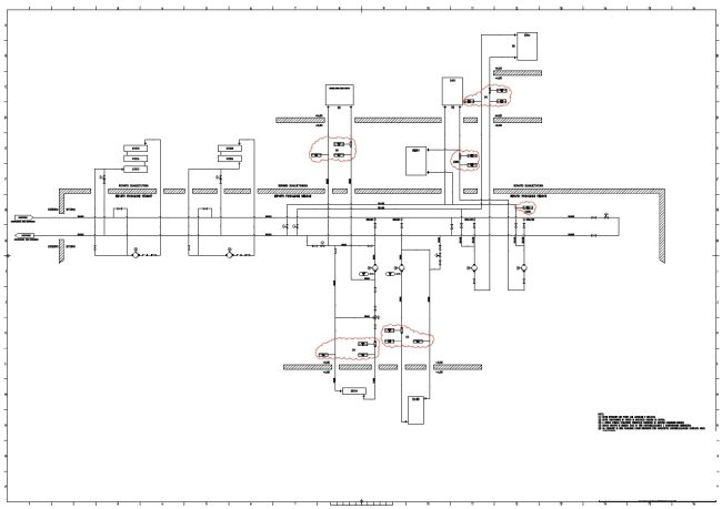
Rilievi in campo per ricostituzione Fascicolo Tecnico di Stabilimento, prodotti n°11 (undici) P&ID relativi a Sistema Generazione e Distribuzione Vapore 12barg, Sistema Generazione e Distribuzione Olio Diatermico, Sistema di Generazione Aria Compressa. L’attività rientra in più ampio progetto di riqualificazione ed efficientamento energetico del sito produttivo, già iniziato nel 2017 con il Revamping della Centrale Termica.
Come di consueto sono state eseguite anche analisi impiantistiche per segnalare eventuali criticità (di sicurezza, normative o manutentive).

