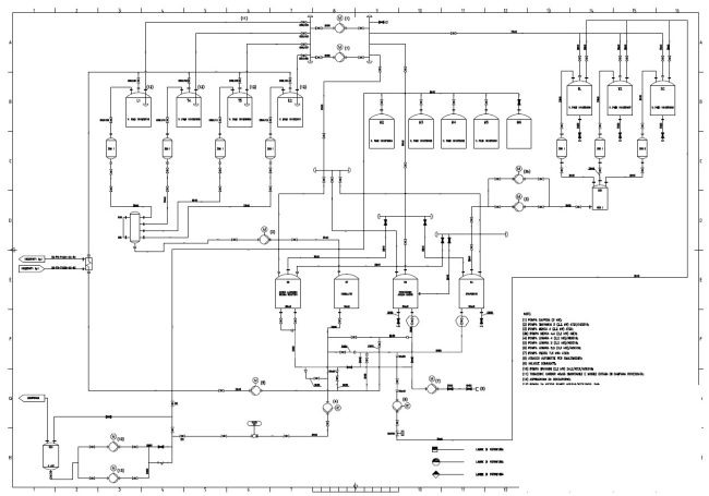
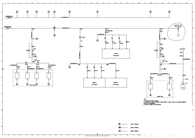
Rilievi in stabilimento per ricostituzione Fascicolo Tecnico: prodotti n°21 (ventuno) P&ID relativi a Sistema Acqua Grezza, Acqua Alimento, Generazione e Distribuzione Vapore, Generazione e Distribuzione Olio Diatermico, Resine e prodotti chimici, Gas Naturale, Aria Compressa. Come di consueto sono state eseguite anche analisi impiantistiche per segnalare eventuali criticità (di sicurezza, normative o manutentive).

