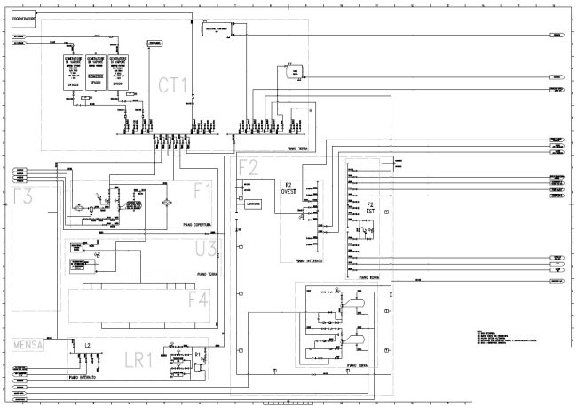
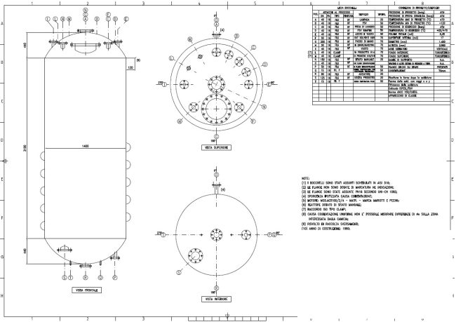
Rilievi in stabilimento per ricostituzione Fascicolo Tecnico, con redazione di n°20 (venti) fra P&ID e Pipe Routing relativi a Sistema Generazione e Distribuzione Vapore 12barg, Sistema Generazione e Distribuzione Acqua Refrigerata, Sistema Acqua di Torre. Redatti anche prodotti n°23 (ventitre) P&ID e altrettanti Data Sheet di Reattori, Presso Filtri, Dissolutori.
Come di consueto sono state eseguite anche analisi impiantistiche per segnalare eventuali criticità (di sicurezza, normative o manutentive).

